技術支援

油圧機器互換置換検討

取扱製品油圧
サービス内容互換置換検討
業界化学

技術支援の内容

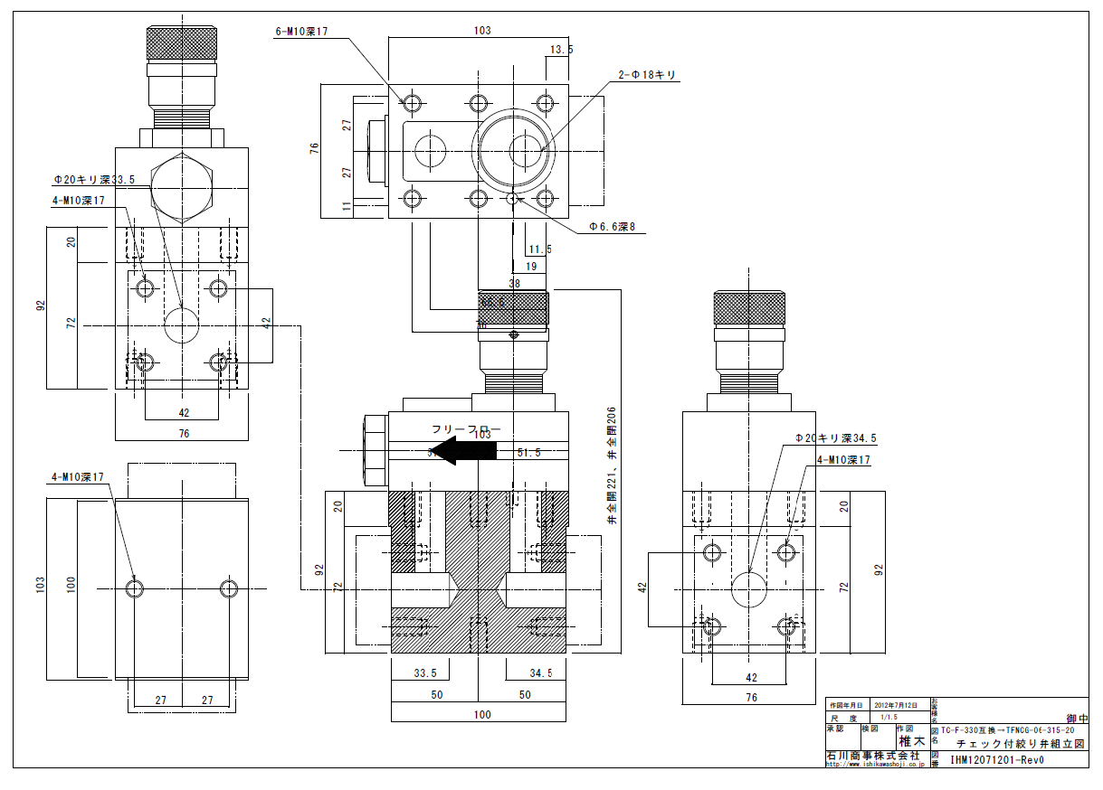
石川商事では各種油圧機器を取扱いしております。油圧ユニットの選定や、旧型の製造中止の油圧機器を現行品に置き換えます。既設のフランジ取付タイプのチェック付絞り弁が製造中止のため、代替品としてガスケット取付タイプを使用し、ベースブロックを設計製作も致します。

施工の風景

関連する事例