2025年3月号
【石川商事メルマガ2025年 3月】 薬液ポンプの脈動や圧力変動を抑止安定化できる対策品をご存じですか?
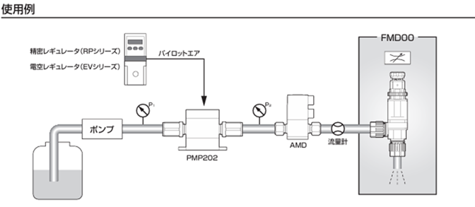
今回は、高精度・高速応答で圧力変動を低減できるパイロット式
ファインレギュレータPMPをご紹介します。(CKD㈱の製品です)


ダイヤフラムポンプからの脈動で流量測定が安定しない→PMPをつければ抑止可能(パイロットエアと精密レギュレータが必要です)
生産性やレシピの違いにより遠隔で設定圧力を変更することも可能となります。(電空レギュレータが必要です)
その他のアプリケーションでも大活躍しております。下記参照

PMPを取付された後であれば流量計がきらう圧力変動や脈動が抑止されるため流量測定が安定しPMPを取付された後であれば流量計がきらう圧力変動や脈動が抑止されるため流量測定が安定し
流量を均一化させる方向へ進めます。そうなれば流量調整バルブを使用し数ヶ所に均一に供給も可能です。
腐食性の高い流体を手動で流量調整をされたい場合は同じCKD製品で下記の製品がございます。腐食性の高い流体を手動で流量調整をされたい場合は同じCKD製品で下記の製品がございます。
※流量計からの信号で自動で流量調整されたい場合は弊社営業の方に別途お問い合わせください。※流量計からの信号で自動で流量調整されたい場合は弊社営業の方に別途お問い合わせください。
別の商品のご提案が可能です。
FMD00シリーズ


ラインナップにつきましては下記メーカーサイトよりカタログを確認することができますので
是非ご覧ください。





